KoreanFoodie's Study
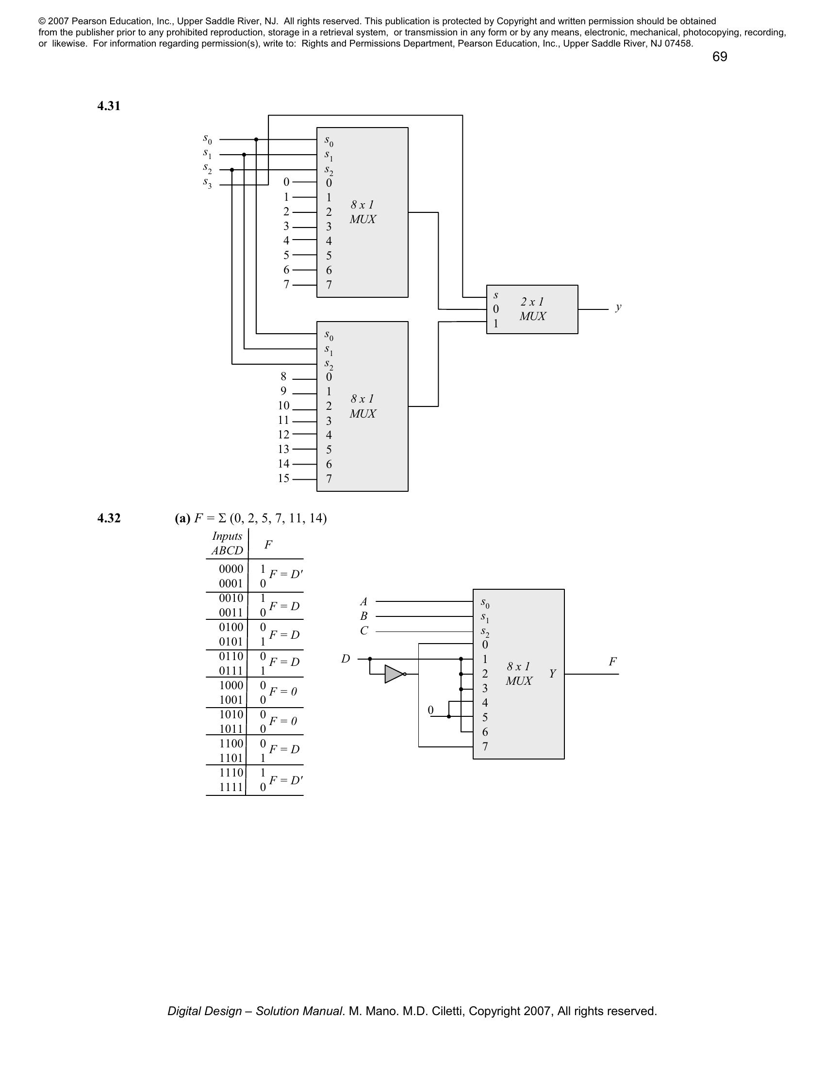
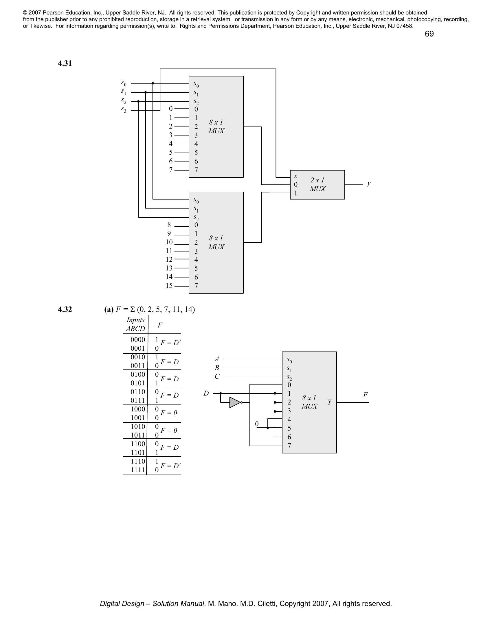
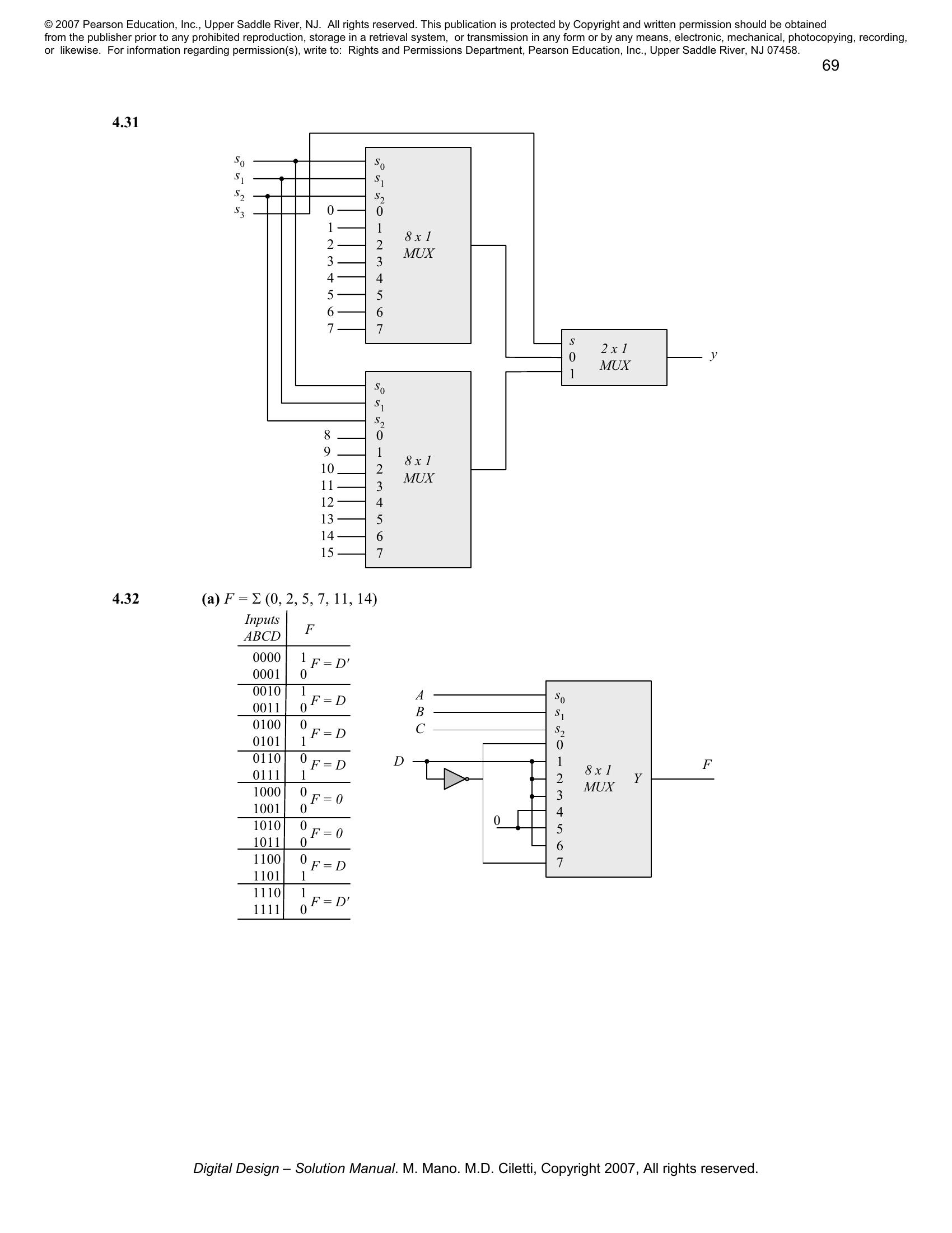
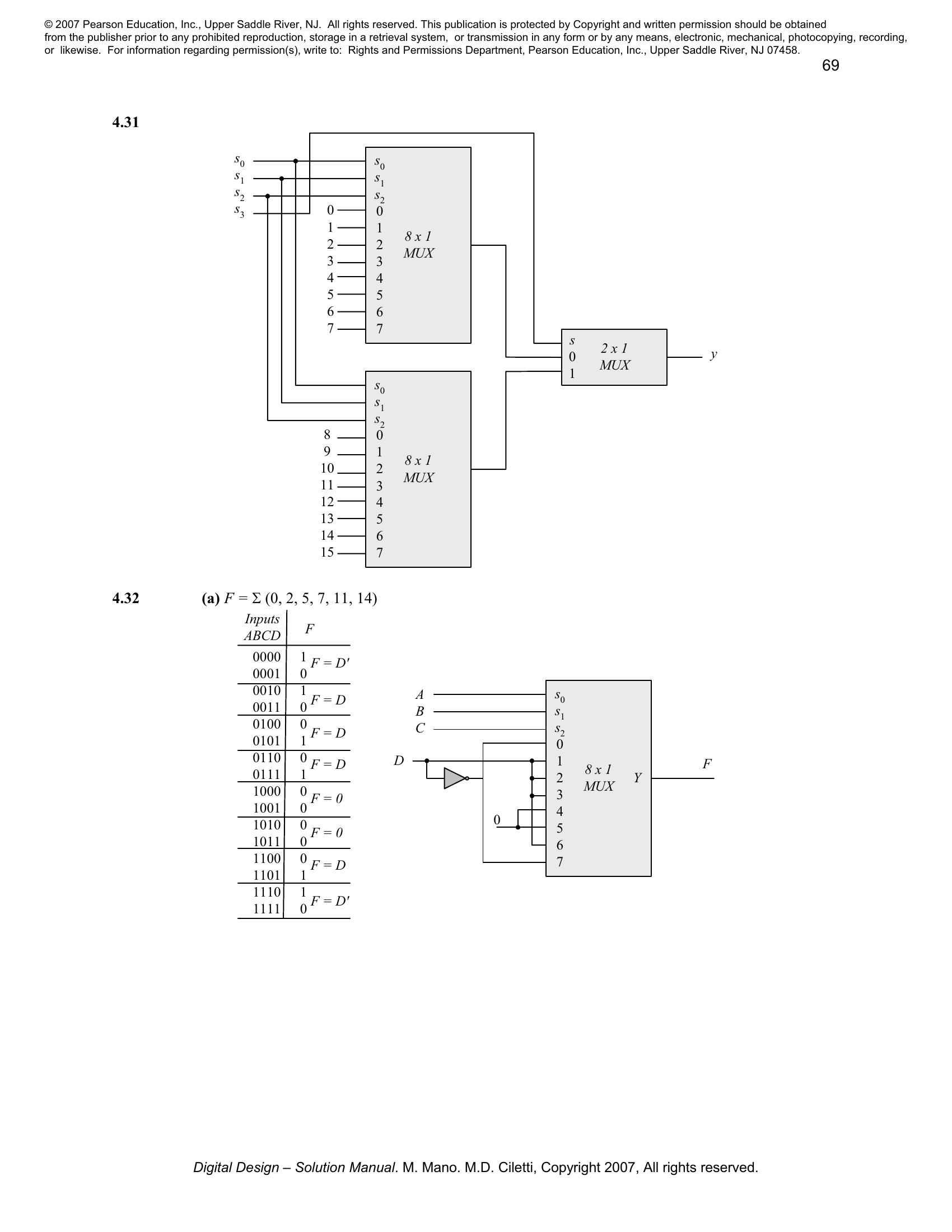
Solution manual to Digital Logic And Computer Design by M. Morris Mano (Chapter 4) 본문
Solution Manuals/Digital Logic And Computer Design
Solution manual to Digital Logic And Computer Design by M. Morris Mano (Chapter 4)
GoldGiver 2020. 11. 13. 00:15








































Solution manual to Digital Logic And Computer Design by M. Morris Mano (Chapter 4)
'Solution Manuals > Digital Logic And Computer Design' 카테고리의 다른 글
Comments