KoreanFoodie's Study
Solution manual to Fundamentals of digital logic with verilog design (Chapter 8) 본문
Solution Manuals/Digital logic with verilog design
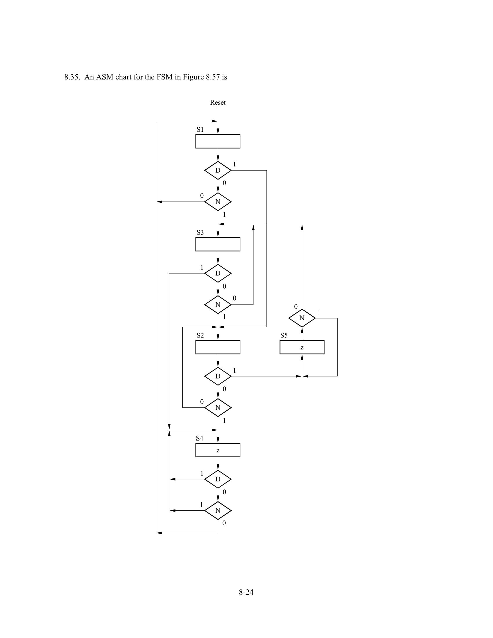
Solution manual to Fundamentals of digital logic with verilog design (Chapter 8)
GoldGiver 2020. 11. 13. 00:59Solution manual to Fundamentals of digital logic with verilog design (Chapter 8)



























'Solution Manuals > Digital logic with verilog design' 카테고리의 다른 글
Comments